热门关键词:耐酸碱磁力泵,耐腐蚀磁力泵,氟塑料磁力泵

概述:功能特点:1.预体采用FRPP. PVDF等塑钢材料射出成型。2.适台于槽内外使用。3.低噪音,不泄漏,易于维护。4.泵浦内使用干式轴封空转不会损坏马达端盖有油封设计,确保酸性气体不会进
15862372961
详细介绍



迅湃耐酸碱立式长轴泵
功能特点:
1.预体采用FRPP. PVDF等塑钢材料射出成型。
2.适台于槽内外使用。
3.低噪音,不泄漏,易于维护。
4.泵浦内使用干式轴封,空转不会损坏,马达端盖有油封设计,确保酸性气体不会进入马达轴承,从而保护马达,增加马达使用寿命。
5、泵浦转动轴可使用SUS 304. SUS16L及钛金材质,满足客户使用到不同的工作场所。
立式长轴泵型号说明:

1.机型编号:PTH
2.出入口径: 32-1-1/4” 40-1-1/2” 50-2”
3.比重: SK-1.1 SP-1.4
4.马力: 1-1HP 2-2HP 3-3HP 5-5HP 7.5-7.5HP
5.频率: 5-50Hz 6-60Hz
6.O环材质; N-NBR E-EPDM V-VITON
7.泵体材质: F-FRPP P-CFRPP
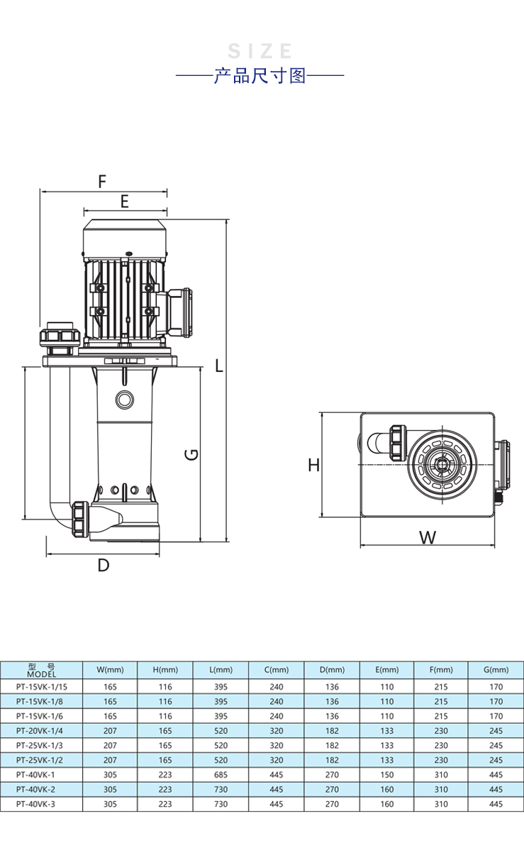
性能规格表:
| 型号 |
进出口径 (mm) |
马力 (HP) |
功率 (kw) |
50HZ | 60HZ |
重量 Kg (参考值) |
||
|
全扬程 M |
全流量 L/min |
全扬程 M |
全流量 L/min |
|||||
| PT-20VK-1/15 | 25*20 | 1/15 | 50 | 3.5 | 25 | 4 | 28 | 4.5 |
| PT-20VK-1/8 | 25*20 | 1/8 | 95 | 4 | 28 | 5 | 38 | 5.5 |
| PT-20VK-1/6 | 25*20 | 1/6 | 125 | 5 | 32 | 6 | 60 | 5.5 |
| PT-20VK-1/4 | 25*20 | 1/4 | 180 | 6 | 70 | 7 | 80 | 7.5 |
| PT-20VK-1/3 | 25*20 | 1/3 | 250 | 6.5 | 80 | 8 | 100 | 7.5 |
| PT-32VK-1/2 | 40*32 | 1/2 | 375 | 7 | 160 | 9 | 200 | 10 |
| PT-32VK-1 | 40*32 | 1 | 750 | 12.5 | 200 | 15 | 250 | 15 |
| PT-40VK-2 | 50*40 | 2 | 1500 | 15 | 250 | 17 | 350 | 20 |
| PT-40VK-3 | 50*40 | 3 | 2200 | 20.5 | 320 | 22 | 400 | 29 |
| PT-32SK-1 | 50*32 | 1 | 0.75 | 13 | 160 | 18 | 200 | 20 |
| PT-40SK-2 | 50*40 | 2 | 1.5 | 24 | 260 | 26 | 290 | 25 |
| PT-40SK-3 | 50*40 | 3 | 2.2 | 26 | 350 | 28 | 400 | 29 |
| PT-50SK-5 | 50*50 | 5 | 3.75 | 28 | 520 | 30 | 560 | 32 |
| PT-50SK-7.5 | 65*50 | 7.5 | 5.5 | 31 | 620 | 32 | 640 | 46 |
| PT-50SK-10 | 65*50 | 10 | 7.5 | 36 | 700 | 38 | 180 | 73 |


